安全注意事项
危险和警告
- 本设备只能由专业人士进行安装。
- 对于因不遵守本手册的说明而引起的故障,厂家将不承担任何责任。
触电、燃烧或爆炸的危险
- 设备只能由有取得及格的工作人员才能进行安装和维护。
- 对设备进行任何操作前,应隔离电压输入和电源供应,并且短路所有电流互感器的二次绕组。
- 要用一个合适的电压检测设备来确认电压已切断。
- 在将设备通电前,应将所有的机械部件,门和盖子恢复原位。
- 设备在使用中应提供正确的额定电压。
一.产品简介
1.2技术指标
1.3工作原理
二、外形说明及安装
2.1外形及安装
2.2液晶显示屏内容
2.3端子接线图
三、基本功能
3.1电能计量功能
3.2 时钟
3.3费率和时段
3.4清零
3.5数据存储
3.6冻结
3.7事件记录
3.8通讯
3.9 外控输出
3.10显示
3.11 测量
3.12 按键操作
四、 存储和运输
五、保证期限
六、保养和维修注意事项
附录A 默认显示项目
一.产品简介
1.1概述
三相电力监测仪采用了最新设计的专用数字集成电路和超低功耗16位MCU,可以直接准确测量合相正反有功、无功1电量、无功2电量和各分相有功电量。可以进行4种费率、14个时区、14个日时段(8套)、30个节假日及周休日等设置,具有有功最大需量记录功能,对有功功率、无功功率、电压、电流、功率因数等用电参数进行实时测量和处理,具有1路RS485、有功脉冲输出、温度监控等功能。数据显示采用宽温度范围的大屏幕中文液晶,便于人工抄表记录。
本产品采用SMT工艺和先进设备制造,严格按照ISO9001:2000控制过程工艺和质量。高度集成化设计和防静电、防雷、瞬变干扰抑制等多种抗干扰设计,关键元器件均采用国际知名品牌的低功耗、长寿命器件。抗变形,抗腐蚀,抗老化,绝缘和密封性能良好。
该表性能指标符合DL/T 614–2007,GB/T17215.301-2007标准中对多功能电能表的各项技术要求,通信规约符合DL/T645–2007协议及其备案文件。
1.2技术指标
| 类 别 |
参比电压Un
(V) |
最大电流Imax
(A) |
有功脉冲常数(imp/kWh) |
无功脉冲常数(imp/kvarh) |
| 三相三线 |
3×100 |
6 |
20000 |
20000 |
| 三相四线 |
3×57.7/100 |
6 |
20000 |
20000 |
| 3×220/380 |
6 |
10000 |
10000 |
- 精度等级 有功5级 无功2级
- 参比电压3×100V (三相三线) , 3×57.7/100V 3×220/380V (三相四线)
- 额定电流 3×1.5(6)A
- 额定频率50Hz
- 起动电流001In(1级) 无功 0.005In (2级)
- 潜动 具有防潜动逻辑设计
- 外型尺寸 96mm×96mm×97mm (安装开孔尺寸92mm*92mm)
- 重量 约1kg
- 电气参数
| 正常工作电压 |
0.8Un~1.1Un |
| 极限工作电压 |
0.75Un~1.20Un |
| 电压线路功耗 |
≤1W |
| 正常工作温度 |
-25℃~+55℃ |
| 极限工作温度 |
-30℃~+60℃ |
| 存贮和运输温度 |
-40℃~+70℃ |
| 存储和工作湿度 |
≤85% |
| 费率数 |
4 |
| 时段数 |
14 |
| 显示 |
LCD |
| 通讯波特率 |
RS485: 1200bps、2400bps、4800bps、9600bps |
| 通讯规约 |
DL/T645–2007/Modbus |
1.3工作原理
三相电力监测仪是由测量单元和数据处理单元等组成,除计量有功、无功电能量外,还具有分时费率、测量需量等功能,并能显示、存储和输出数据的电能表。功能原理如下图所示
注:*表示可选
电能表工作时,电压、电流经取样电路分别取样后,送入专用电能芯片进行处理,并转化为数字信号送到CPU进行计算。由于采用了专用的电能处理芯片,使得电压电流采样分辨率大为提高,且有足够的时间来更加精确的测量电能数据,从而使电能表的计量准确度有了显著改善。
图中CPU用于分时计费和处理各种输入输出数据,通过串行接口将专用电能芯片的数据读出,并根据预先设定的时段完成分时有功电能计量。根据需要显示各项数据、通过485接口进行通讯传输,并完成运行参数的监测,记录存储各种数据。
二、外形说明及安装
2.1外形及安装
电能表安装在室内通风干燥的地方,确保安装使用安全、可靠,在有污秽或可能损坏电能表的场所,电能表应用保护柜保护。

2.2液晶显示屏内容

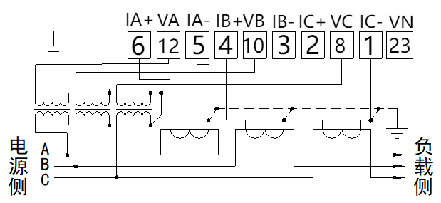
2.3仪表强电端子和弱电功能端子接线图
- 三相四线3×220/380V ,经电流互感器的仪表主端子和功能端子接线图如下:

- 三相四线3×57.7/100V ,经电压、电流互感器的推荐接线图如下:(通讯等功能端子同上)

- 三相三线3×100V ,经电压、电流互感器的推荐接线图如下:(通讯等功能端子同上)

2.4 脉冲测试口示意图
三、基本功能
3.1电能计量功能
- 具有合相正反向有功电能量、无功1电能量和无功2电能量计量功能,并可以据此设置组合有功模式字。
- 合相各电能量具有分时计量功能,各种电能量对应的尖、峰、平、谷费率电能量及总电能量分别独立进行累计、存储。
- 具有计量各分相有功电能量功能,分相电能量不支持分时计量功能。
- 可通过组合模式字设置组合有功。组合能量的范围是-799999.99KWh到+799999.99KWh。
- 支持12次能量结算冻结数据。
3.2 时钟
- 采用具有温度补偿功能的内置硬件时钟电路;在-25~+60℃的温度范围内:时钟准确度应 ≤ ±1s/d;在参比温度(23℃)下,时钟准确度 ≤ ±0.5s/d。
- 时钟具有日历、计时、闰年自动转换功能。
- 使用环保型的锂电池作为时钟备用电源;时钟备用电源在电能表寿命周期内无需更换,断电后维持内部时钟正确工作时间累计不少于5年;电池电压不足时,电能表LCD显示电池报警符号。
- 日期和时间的设置必须使用硬件编程按键和正确的密码。
- 广播校时不受密码和硬件编程开关限制;电能表只接受小于5分钟的时钟误差校时;每日只允许校时一次,不允许在每日0:00前后5分钟内进行广播校时。
3.3费率和时段
- 支持尖、峰、平、谷四个费率。
- 全年可设置14个时区;24小时内可以设置14个时段;时段最小间隔为15分钟,时段可以跨越零点设置。
- 支持节假日和周休日特殊费率时段的设置,最多支持30个节假日。
- 具有两套可以任意编程的费率和时段,并可在设定的时间点起用另一套费率和时段。
3.4清零
3.5.1电表清零
- 可以清除电能表内存储的电能量、冻结量、事件记录等数据。
- 电量清零必须使用硬件编程键。
- 电能表底度值只能清零,禁止设定。
3.5数据存储
- 能存储上12个结算日的单向或双向总电能和各费率电能数据;数据转存分界时刻为月末的24时(月初零时),或在每月的1号至28号内的整点时刻。
- 能存储上12个结算日的单向或双向、各费率最大需量及其出现的日期和时间数据;数据转存分界时刻为月末的24时(月初零时),或在每月的1号至28号内的整点时刻;月末转存的同时,当月的最大需量值应自动复零。
- 在电能表电源断电的情况下,所有与结算有关的数据至少保存10年,其它数据至少保存3年。
- 支持上电补冻,最多补12个。
3.6冻结
- 定时冻结:按照约定的时刻及时间间隔冻结电能量和重要测量量数据;每个冻结量可保存60次。
- 瞬时冻结:在非正常情况下,冻结当前的日历、时间、所有电能量和重要测量量的数据;瞬时冻结量可保存最后3次的数据。
- 日冻结:存储设定的日冻结时间点的电能量和重要测量量数据,可存储62次数据。
- 约定冻结:在两套时区表/两套时段表切换时或电力公司认为有特殊需要时,冻结切换时刻的电能量以及其他重要数据。可存储2次。
- 整点冻结功能:能存储254条整点冻结数据。
3.7事件记录
- 可记录校时总次数(不包含广播校时),以及最近10次校时的时刻、操作者代码。
- 可记录各相过流总次数、总时间,最近10次过负荷的持续时间。
- 可记录过温总次数、最近10次过温的记录。
- 永久记录电能表清零事件的发生时刻及清零时的电能量数据。
- 事件记录可通过事件记录清零命令进行清零。
- 可记录掉电总次数,以及10次掉电的时间。
3.8通讯
RS485通信遵循DL/T 645—2007协议及其备案文件。
- RS485接口与电能表内部电路实行电气隔离,并有失效保护电路。
- RS485接口满足DL/T 645—2007电气要求,并能耐受交流电压380V、2分钟不损坏。
- RS485接口的通讯速率可设,设置范围:1200bps 、2400bps 、4800bps、9600bps。
3.9 外控输出 (可选)
- a) 支持外控继电器跳闸、合闸操作。
3.10显示
宽温型LCD显示;有功电能脉冲、无功电能脉冲、报警、相序、失压、当前费率LED指示
当发生接线错误时, 液晶上“逆相序”字符会闪烁, 如果发生电压接线错误,液晶上”UaUbUc”字符会闪烁, 如果发生电流接线错误, 液晶上”IaIbIc”字符会闪烁.
3.11 测量
- 可测量总及各分相有功功率、无功功率、功率因数、分相电压、分相电流、频率等运行参数。
- 测量误差(引用误差)不超过±1%。
3.12 按键操作
可设置项:电压变比、电流变比、通讯协议。
上翻按键、下翻按键、设置按键、返回按键
四、 存储和运输
产品在运输和拆封时不应受到剧烈冲击,并根据GB/T13384-2008《机电产品包装通用技术条件》规定运输和存贮。
库存和保管应在原包装条件下存放在支架上,叠放高度不应超过8层。
保存的地方应清洁,其环境温度应为0~40℃,相对湿度不超过85%,且在空气中不含有足以引起腐蚀的有害物质。
五、保证期限
电能表自发货日起18个月内,在用户遵守说明书规定要求,且制造厂铅封仍完整的条件下,若有质量问题,我公司负责免费修理或更换。18个月后,公司保证提供售后服务。
六、保养和维修注意事项
- 本产品为全电子式电能表,内部无用户可调部件。
- 本产品在出厂前经检验合格,并加铅封,电力部门只需将接线端盖卸下后,按盖内接线图接线即可。接好线后盖上端子盖并加铅封。
- 接线时应注意电能表的标称电压、标称电流和制式。切不可超过标称电压或标称电流以免烧坏电能表,不同制式的电能表不可混用。
- 接入电能表的导线截面积应满足负载电流要求,避免因接触不良或进线太细而引起发热损坏电能表。建议使用铜线或铜接头引入。另外接线必需接牢。
- 接线时,应注意不要将进出线接错。电能表应垂直安装。
- 为了操作人员的安全,接线时必须切断电源。
附录A 默认显示项目
电能表默认自动循环显示项目列表
| 序号 |
显 示 项 目 |
数据显示格式 |
备注 |
| 1 |
当前组合有功总电量 |
XXXXXX.XX kWh |
|
| 2 |
当前剩余金额 |
XXXXXX.XX |
剩余金额 |
默认按键循环显示列表
| 序号 |
显 示 项 目 |
数据显示格式 |
备注 |
| 1 |
当前组合有功总电量 |
XXXXXX.XX kWh |
|
| 2 |
当前剩余金额 |
XXXXXX.XX |
剩余金额 |
| 3 |
当前电价 |
Pr XX.XXXX |
当前电价 |
| 4 |
A相电压 |
XXX.X V |
|
| 5 |
B相电压 |
XXX.X V |
|
| 6 |
C相电压 |
XXX.X V |
|
| 7 |
A相电流 |
XX.XXX A |
|
| 8 |
B相电流 |
XX.XXX A |
|
| 9 |
C相电流 |
XX.XXX A |
|
| 10 |
瞬时总有功功率 |
XX.XXX kW |
|
| 11 |
瞬时A相有功功率 |
XX.XXX kW |
|
| 12 |
瞬时B相有功功率 |
XX.XXX kW |
|
| 13 |
瞬时B相有功功率 |
XX.XXX kW |
|
| 14 |
总有功功率因素 |
X.XXX |
|
| 15 |
A相功率因素 |
X.XXX |
|
| 16 |
B相功率因素 |
X.XXX |
|
| 17 |
C相功率因素 |
X.XXX |
|
| 18 |
瞬时总无功功率 |
XX.XXX kvar |
|
| 19 |
通信地址高4位 |
XXXX |
|
| 20 |
通信地址第8位 |
XXXXXXXX |
|
| 21 |
当前日期 |
XX.XX.XX |
|
| 22 |
当前时间 |
XX:XX:XX |
|
| 23 |
当前A相有功总电量 |
XXXXXX.XX kWh |
|
| 24 |
当前B相有功总电量 |
XXXXXX.XX kWh |
|
| 25 |
当前C相有功总电量 |
XXXXXX.XX kWh |
|
| 26 |
当前无功1电量 |
XXXXXX.XX kvarh |
|
| 27 |
当前无功2电量 |
XXXXXX.XX kvarh |
|
| 28 |
当前组合有功尖电量 |
XXXXXX.XX kWh |
|
| 29 |
当前组合有功峰电量 |
XXXXXX.XX kWh |
|
| 30 |
当前组合有功平电量 |
XXXXXX.XX kWh |
|
| 31 |
当前组合有功谷电量 |
XXXXXX.XX kWh |
|